[本刊讯]2025年9月16日—18日,“全国汽标委电器分委会2025年会暨标准审查会议、2025智慧连接·汽车电子电器技术创新论坛”在重庆盛大召开,会议由全国汽车标准化技术委员会电器分技术委员会主办,华为技术有限公司和中国重型汽车集团有限公司协办,《汽车电器》杂志社承办。 会议汇聚100余位主机厂专家、头部零部件企业代表和《汽车电器》理事会会员单位,围绕行业标准、技术趋势、智慧连接等内容展
【摘要】文章首先构建基于模型系统工程的多学科协同设计框架,以“需求-功能-逻辑-物理”范式与统一数据模型支撑并行开发;其次提出融合多学科仿真前瞻预测与多目标优化决策的主动冲突消解策略,推动设计从“经验驱动”转向“数据驱动”。试验验证表明,该策略可有效识别并消解热性能冲突,提升设计方案可靠性与全局最优性,为智能汽车研发提供理论参考与实践指南。
【摘要】为提升智能网联汽车在道路行驶过程中的稳定性和安全性,基于传统EKF算法提出自适应优化EKF 估计算法。首先,针对智能网联汽车难以估计的行驶状态进行分析,确定需要观测的参数为纵向速度、横摆角速度与质心侧偏角;然后,基于传统EKF算法中噪声难以处理的问题,采用自适应优化算法对系统噪声和量测噪声同步进行估计和优化,使估计过程更能够贴合实际运行工况;最后,采用基于MATLAB与Carsim联合仿真平台,建立智能网联汽车模型,对高速工况下高附着和低附着路面行驶状况进行估计。试验结果表明,相较于对比算法,EKF估计算法在响应速度、估计精度和曲线拟合方面效果更优,对车辆的稳定和安全行驶更具保障。
【摘要】针对越野环境下路面多变导致车辆纵向动力学控制性能恶化的问题,提出一种融合扩展卡尔曼滤波(ExtendedKalmanFilter,EKF)与随机森林(RandomForest,RF)的自适应控制策略。该策略采用多模态感知框架,先利用RF算法实时识别路面类型,再将结果作为EKF估计器的先验知识,实现对路面峰值附着系数的精准估计。验证表明,该策略能有效适应不同路面,在高附与低附路面上均能显著抑制车轮过度滑移,将滑移率稳定于最优区间,有利于提升车辆加速与制动性能,缩短制动距离,增强越野行驶的安全性。
【摘要】伴随着智能化汽车的迅猛发展,“软件定义汽车”的观念日益深入人心。在这一理念的框架之下,唯有实现软件的快速迭代更新,才能确保车辆的竞争力。然而,在日趋频繁的OTA升级活动中,过长的OTA升级时间抑制了用户触发升级的意愿。因此,如何缩短用户的有感升级时间,成为提升用户体验的关键所在。基于此,文章提出一种基于FA协同调度的OTA并行升级方法,将原本串行的升级方式优化为并行升级。通过实车试验验证,本文所提出的方法能够显著缩短升级时间。
【摘要】电子机械制动技术正推动车辆制动系统从液压向线控代际跨越。本文面向智能驾驶需求,通过理论对比与实证分析,揭示EMB相较液压系统的三重突破。结构重构:机电直驱架构取消液压管路,零部件减少 40% ,质量降低 24.1% ;性能跃迁:响应时间 ≤100ms (提升 30% ),控制精度等效液压 ±0.01MPa (提升85% ),AEB场景碰撞动能降低 62% ;能效革新:通过优化拖滞扭矩提升续航。国产化实践验证可行性:某公司突破 -40°C 极寒扭矩衰减( ≤8% )。GB21670—2025新规2026年1月1日实施将加速产业替代。未来需攻克冗余成本瓶颈,迈向“制动-驱动-转向”三合一智能执行单元。
【摘要】本文探讨中国复杂道路环境下自动驾驶车辆检测的适应性挑战,分析该挑战对自动驾驶技术发展的影响与潜在风险,在此基础上,提出基于VOLO算法的多模态优化方案。该方案融合频域增强与动态稀疏化技术,提升自动驾驶车辆在恶劣天气下的检测性能,增强系统的鲁棒性和适应性。
【摘要】随着智能驾驶普及,特种车辆识别成为关键问题。文章针对智能驾驶时代特种车辆识别难题展开研究,首先介绍基于声音识别的车辆级系统框架,然后详细阐述运用TorchAudio库进行声音预处理、特征提取,最后介绍结合ResNet-18残差网络进行声音分类的方法,并通过实验验证该方法在特种车辆声音识别上的有效性,为智能驾驶中特种车辆识别提供新途径。
【摘要】随着智能交互技术的选代升级,传统汽车尾门开启方式已难以满足用户对便捷性与科技感的双重需求。为实现无接触式智能操作体验,本研究创新性地将增强现实(AR)光影技术深度融入汽车尾门控制系统,开发出一套基于AR光影识别的自动电尾门解决方案。该系统搭载高精度动作捕捉与投影交互模块,能够精准识别用户的踩踏动作指令——当用户脚部进入预设投影区域时,系统将立即触发尾门自动开启功能,彻底解放双手操作束缚,为用户带来极具未来感的智能交互体验。
【摘要】文章提出一种融合预设与自定义功能的智能灯语系统方案。该系统采用分层架构,包括交互层、逻辑处理层和硬件执行层,支持行车、临停、上下车、指示等多场景应用,其中交互层提供模式选择及手绘、文字输入等自定义功能,逻辑处理层结合车辆状态信号下发控制指令,硬件执行层驱动LED实现灯语动画。通过设计分析,该系统可提升汽车灯光的个性化表达与信息传递能力。
【摘要】文章探究汽车LED光效自适应控制技术在智能驾驶环境中的应用效果与技术实现路径,通过车载试验评估多模式光效控制策略在不同环境条件下对驾驶安全性能的影响。结果显示,基于环境感知与驾驶状态的自适应光效控制可显著提升夜间行车安全性能,降低事故风险率约 32% ;光效控制与视觉舒适度呈正相关,且自适应模式优化能耗与照明效果的平衡,平均提高能源利用效率约 18% 研究为智能驾驶系统中光效控制技术开发提供实践依据与理论支持。
【摘要】安全舒适性是衡量商用车性能是否优异的重要组成因素。为提升商用车驾驶室驾乘舒适度,文章介绍一种驾驶室舒适度联动控制系统,该系统融合室内外温度、氧含量、光照雨量等传感器数据及控制器局域网络总线通信机制,通过车身域控制器联动控制驻车空调、行车空调、电动天窗、门窗等部件,并且着重对系统的识别逻辑、构成及功能实现包括配备驻车空调和驻车暖风时的多场景智能化控制策略进行阐述,旨在为相关研究与应用提供参考。
【摘要】随着汽车保有量的持续增长,道路交通安全问题日益突出,传统基于规则和事后分析的驾驶安全评估方法难以实现对风险的实时、精准感知与预警。因此,本文将从驾驶情绪对行为的影响机制入手,阐述如何利用车辆CAN总线、惯性传感器等部件所采集的底层操作数据,进而构建基于机器学习的驾驶风险评估模型,旨在为实现更高效、更智能的驾驶安全辅助系统提供技术方案参考。
【摘要】随着汽车智能化水平不断提升,车载电控单元ECU在智能驾驶辅助系统ADAS中的作用日益突出,然而传统分布式ECU架构在控制耦合、通信延迟与功能冗余方面暴露出明显瓶颈。本文基于智能辅助驾驶典型应用场景,构建分布式与集中式ECU系统的对比模型,通过仿真测试对系统响应时延、通信效率、容错能力与资源占用等关键性能进行量化评估。结果表明,集中式域控制架构可将控制响应时延降低约 65% 故障识别与恢复效率提升超过 60% ,系统稳定性和资源利用率也得到显著改善。研究验证了ECU集中优化路径的技术可行性与性能优势,为未来高等级自动驾驶系统的电子架构设计提供理论支撑与工程参考。
【摘要】在全球科技革命与产业变革深度融合的背景下,汽车产业正从“机械驱动”向“智能网联”加速转型,自动驾驶作为核心变革方向,不仅重构着交通出行模式,更成为衡量国家科技创新实力与产业竞争力的关键领域。电子信息技术作为自动驾驶技术落地的核心支撑,贯穿“感知-决策-控制-交互”全链路,其技术成熟度直接决定了自动驾驶的智能化水平与安全性能。在此背景下,本文系统梳理电子信息技术在自动驾驶中的核心应用场景,剖析技术原理,探索优化路径,具有重要的理论价值与现实意义。
【摘要】随着城市机动车保有量的持续增长,道路交通安全问题愈发突出。车联网技术通过整合移动通信、智能感知与数据分析能力,为交通事故的主动预防提供了全新解决方案。文章主要围绕移动通信技术在车联网环境中的作用展开探讨,分析其在危险预警、应急响应及风险预测等方面的关键价值,阐述6G通信、人工智能等新技术的提升潜力,旨在为提升道路安全水平与通行效率提供参考。
【摘要】随着智能网联汽车的普及,车辆移动通信系统成为地理信息、生物特征与驾驶行为等敏感数据的交互枢纽,其隐私泄露与数据篡改风险对个人安全与社会交通秩序构成双重威胁。现有加密理论与匿名化技术在动态组网环境下面临算力约束与实时性挑战,而车载网络异构架构进一步提升了安全防护体系的复杂性。因此,本文就车载终端数据流全生命周期加密机制、隐私增强型身份认证协议及攻击自愈式监控框架展开系统性探讨,以期建立面向高移动性车联场景的轻量化隐私-安全协同技术范式,为自动驾驶时代的可信通信提供理论支撑。
【摘要】车载娱乐系统是现代汽车的一个重要组成部分,对用户的驾乘体验与满意度产生了显著影响。移动通信技术能够将车辆无缝接入互联网生态,为车内信息服务与娱乐体验的跨越式升级提供了支持。本文就移动通信技术对车载娱乐系统性能的具体提升路径展开探讨,主要包括内容传输、多端交互、动态场景性能及安全防护四方面,以期为通信技术与汽车产业深度融合提供有价值的参考。
【摘要】自动紧急制动(Automatic Emergency Braking,AEB)是智能驾驶的核心主动安全功能,广泛应用于智能汽车,但传统AEB系统在传感器依赖、场景适应性及误触发控制等方面存在不足,难以满足复杂环境安全需求。本文依托长城汽车智能驾驶高阶算力平台(搭载英伟达Orin-Y主控SoC,具备200TOPSAI算力,配备27个高精度智能传感器),分析AEB在法规合规性、用户体验、功能边界及疑难场景适配中的设计要点。通过多传感融合架构、合理得分策略、泛化测试体系及云平台数据闭环机制,显著提升AEB系统感知准确性与触发鲁棒性。研究表明,高阶算力平台为AEB功能提供关键技术支撑,可实现其从“规则控制”向“数据驱动智能决策”转变,既能通过法规测试,又能适应复杂环境,是推动AEB智能化升级与大规模应用的基础。
【摘要】物理和通信故障会严重破坏智能网联车队系统的稳定性,进而威胁行车安全,而容错控制是提升系统安全性能的重要技术手段。本文阐述近年来关于智能网联车队系统物理和通信故障的容错控制,指出目前尚未解决的技术难点,展望未来需要关注的热点。
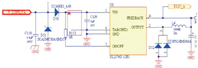
【摘要】文章针对某车型在馈电模式下因电机冲击电流引发的电子系统故障(如车辆怠速、蠕行时偶发熄火)开展研究,通过系统性排查与试验验证,发现故障根源在于馈电模式下发电机输出能力不足,叠加真空泵、风扇等用电器的瞬时高电流需求,导致供电电压跌落,并引发轮速传感器信号干扰。文章提出升级发电机功率至140A以上、优化传感器抗干扰设计的改进方案,试验表明,改进方案可有效降低故障复现率,为馈电模式下电机冲击电流的抑制及车辆电子系统可靠性提升提供参考。
【摘要】针对大规模电动汽车充电负荷给电网带来的挑战,以及传统预测方法存在的局限性,本文提出一种基于CNN-LSTM-AM的混合神经网络负荷预测模型,综合考虑典型场景负荷关联因素对充电负荷预测的影响。将本文方法应用于海南省电动汽车充电负荷预测,通过与传统预测方法进行对比,验证所提方法的有效性。
【摘要】随着纯电动客车的发展,用户对汽车舒适性和智能化的要求日益提高。车厢内温度作为车辆舒适性的直观体现,其调节至关重要。文章针对现有客车采暖系统控制方式简单、缺乏温度监测和调节功能的问题,提出一种智能温度控制应用于采暖系统策略。通过采集车厢内温度、控制散热器的启停和风速、控制加热器的启停,达到准确控制车厢内温度的效果,并且能降低能耗,对提高乘坐舒适性和节能有积极意义。
【摘要】文章旨在探究新能源汽车车窗密封性能与隔音效果的内在关联,为车窗技术迭代提供理论支撑与实践指引,进而提升驾乘静谧性、助力绿色出行。研究首先从密封性能的定义切入,结合材料特性与结构设计原理,系统剖析其对车内密闭性的影响机制;其次梳理隔音性能的核心评估指标,依据材料声学特性与结构优化方法,提出针对性的隔音效果提升路径,并重点研究二者的耦合关联规律;最后揭示密封失效对隔音性能的削弱作用及密封优化带来的声学增益效应,提炼出密封与隔音协同优化策略。该研究为车窗技术的创新发展提供关键支持,对改善驾乘体验、推动绿色出行具有重要实践意义。
【摘要】本文提出采用SR5E1MCU直接功率控制的车载充电系统,包含22kWOBC和3kWDC/DC。该系统针对最高800V高压电池平台,采用第三代功率半导体SiCMOSFET和电磁隔离式栅极驱动器实现车载充电系统的高度集成。通过 SR5E1实现高频控制环路的三相PFC、CLLC以及峰值电流控制的移相全桥直流一直流变换器DC/DC。试验结果表明,OBC效率达 96.5% ,CLLC谐振变换器在宽输出电压范围(450\~850V)下保持软开关特性,DC/DC模块负载瞬态响应带宽提升至 6.5kHz 。
【摘要】传统直流测试系统因电感高、时间常数大,无法满足新能源汽车用电器低感直流测试需求。新能源汽车电路特性与传统输配电系统差异显著,使低感直流测试技术成为产业攻关重点。该技术可突破传统瓶颈,在高电压大电流下精准测试,还能通过全场景模拟提前发现问题、保障产品品质。文章将剖析新能源汽车用电器特性、探究该技术原理、解析测试系统软硬件,结合案例验证可行性,并展望技术与产业协同方向,为行业提供支持。
【摘要】文章基于实验数据与案例分析,探讨新能源汽车快充技术对电池寿命的影响,发现快充虽加速补能,但长期频繁使用会降低电池循环寿命,运营车辆日均快充2次时电池健康度较常规充电低 6% 。为此提出智能充电策略、充电设备监测及用户行为引导等优化措施,以平衡快充需求与电池健康。
【摘要】质子交换膜燃料电池因其结构简单、运行可靠、发电效率高且仅产生无污染的水,被认为是一种具有广阔应用前景的清洁能源技术。目前,质子交换膜燃料电池已成为新能源汽车行业应用最为广泛的燃料电池类型。在其核心组件中,双极板起着至关重要的作用。其表面加工而来的凹槽称为流场,主要功能包括输送反应气体、实现气体的均匀分布以及辅助产物水的排出。流场结构的设计优劣直接影响燃料电池的整体性能。文章通过调整折线流道的弯折个数,设计了3种不同结构的折线流场,并对其3种结构进行仿真研究。仿真结果显示:与传统直道流场相比,优化后的折线流场在多个方面表现出显著提升,包括电流密度分布、水分布、气体分布及压力分布等。其中,电流密度分布和水分布的改善尤为突出。改良后的折线流场,电流密度的最大差值相比直道结构减少了约 0.10A/cm2 ,而水活度最大值下降了约0.05,有效弥补了传统直道流场排水性能较弱的问题。
【摘要】文章针对新能源车辆在多变工况下制动能量回收分配适应性不足的问题,结合EMB系统的结构与控制特性,提出一种节能导向的能量回收分配模式。该模式通过构建采样感知、状态精确估计、扭矩动态预测、回收策略分配及安全冗余切换的五层控制架构,实现再生制动比例的实时动态优化计算;并通过多工况下的对比试验,对控制效果进行系统评估,充分验证了该模式在提升能源利用效率与保障车辆操纵稳定性方面的工程应用价值。
【摘要】新能源汽车市场的迅猛发展,使得电池安全问题愈发凸显,其中热失控是引发电池安全事故的主因。本研究阐述电池设计缺陷和外部条件对热失控的影响,提出防火措施,为电池设计及使用安全提供支撑。
【摘要】本文以某纯电动汽车铝制后副车架为研究对象,在ADAMS中建立整车多体动力学模型,输入路面数据库,通过VPG整车虚拟试验场仿真验证技术获取4车轮轮心的道路载荷谱,再代入副车架与悬架的刚柔耦合多体动力学模型,求解副车架各节点的载荷谱。在HyperMesh软件中建立后副车架模型进行静力分析,包括网格划分、材料设置以及约束与载荷设置等,并通过Abaqus 求解器计算强度、刚度和模态等;在疲劳仿真软件nCode中对其进行疲劳分析。通过选择合适的材料及热处理工艺、优化产品结构、分析零件制造可行性、开展台架测试验证等措施,不断迭代产品设计,直到达成其疲劳耐久目标。
【摘要】整车厂汽车电子电气架构通信层设计工程师需同步管理整车控制器局域网通信矩阵、零部件CAN通信矩阵、各网段数据库容器文件及零部件DBC文件,且这些文件相互关联。单独管理时,工程师需耗费大量时间处理文件及将通信矩阵Excel表格转为DBC数据库文件。本系统实现了将整车通信矩阵Excel文件转化为零部件通信矩阵文件、各网段DBC文件及零部件DBC文件,解决了现有技术中文件管理与数据转换效率低的问题,大幅提升工作效率。
【摘要】文章围绕汽车液压制动系统优化展开,基于理论分析提出多维度策略。通过CFD流场优化流道结构,可降低 17% 制动液流动阻力,提升系统响应速度;采用脉动抑制器、耐磨涂层及智能诊断技术,有效降低噪声并实现故障预警;应用耐高温材料与预测性热管理策略,将制动液工作温度稳定在 80~150°C 理想区间,避免高温导致效能衰退;引入液压混合动力系统,结合智能控制算法,能量回收效率可达 25%-35% ,优于传统电动再生制动。该策略为提升制动系统安全性、舒适性与能效提供理论支撑与技术路径。
【摘要】为提高汽车变速器齿轮的设计效率与精度,文章基于CATIA平台,提出一种齿轮部件的参数化建模方法。该方法通过定义模数、齿数、压力角、螺旋角等关键设计参数,驱动渐开线齿廓与螺旋线的程序化生成,进而自动构建齿轮的三维实体模型。验证结果表明,该方法能够显著提高设计效率,便于进行系列化设计与快速修改,有助于变速器的数字化开发。
【摘要】汽车点火系统是点燃式发动机的核心装置,负责定时产生高压电火花引燃混合气,其性能直接影响发动机效率、动力性与排放水平。传统点火策略和新兴电子控制系统均需在保障可靠点火的前提下,有效应对系统高频通断带来的瞬时功率冲击。优化点火过程中能量提取、转换与传递的效能,有助于降低系统能耗和提升整车经济性。因此,本文就构建基于数学优化的点火系统能量管理策略展开深入研究与探讨,以期更精确地调控点火线圈充放电过程,有效减少能量损耗,提升系统效率。
【摘要】随着新能源汽车产业的快速发展,电机能效优化已成为提升整车续航能力与能源利用率的核心环节。当前电机控制策略多聚焦于硬件性能提升与静态工况优化,忽视了驾驶行为动态差异对电机运行效率的深层影响。驾驶员的加速习惯、制动频率及巡航稳定性等操作特征,直接决定了电机工作点在高耗能区与高效区间的分布比例。然而,驾驶行为与电机效率区域的动态映射关系在现有能效管理系统中尚未得到系统性应用。因此,本文就驾驶行为数据驱动的电机效率优化策略展开探讨,通过建立驾驶行为模式与电机能耗的映射模型,设计自适应控制算法,构建“人-车-路”协同的实时能效提升方案,为新能源汽车动态能效优化提供新方法。
【摘要】制动系统通过摩擦将车辆行驶中的巨大动能转化为热能,是保障行车安全最重要的装置。根据基本的物理定律,能量无法被创造或消灭,只能改变形式或转移,当车辆需要减速时,制动系统正是承担了这个能量形式的转换任务,吸收并耗散车辆的动能,将其转化为热能并向周围环境释放。然而,由此产生的大量热量会导致制动部件温度急剧升高。因此,本文探讨在制动过程“动能-热能”转换中,热量的产生与传递如何与摩擦力的产生机制相互影响和协同作用,以期为设计更稳定、高效的制动系统寻找方向。
【摘要】本文针对发动机活塞系统,建立融合活塞-连杆-曲轴机构运动学特性的多体动力学数学模型,基于刚柔耦合理论与牛顿-欧拉方程推导控制方程组,并验证模型可靠性。研究进一步揭示活塞振动多源激励耦合机制,阐明活塞自由振动模态特征、受迫振动响应规律,提出源头抑制、传递路径削弱及边界优化三维振动控制策略,希望为提升发动机噪声控制提供理论参考。
【摘要】汽车的车内环境由于其空间相对封闭且存在多种污染源,车内的空气质量差容易对驾乘人员的身体健康产生不利影响。虽然使用了空气净化设备,但现有系统往往在响应速度和净化效率方面存在局限。先进传感器技术的发展为更精确地监测车内多种污染物提供了可能,而智能控制技术的进步也为实时、自适应的空气净化管理创造了条件。因此,本文就如何有效整合车内空气质量检测技术与智能净化器的控制系统展开探讨,以期提升车内环境管理的净化效能。
【摘要】汽车零部件在看似相似的使用条件下,其实际使用寿命存在差异,呈现出明显的随机性,这种随机性是零部件材料本身、承受的负载、所处的环境以及制造过程中的微小变量综合作用的结果。而概率论作为专门研究随机现象内在数量规律的数学工具,提供了科学的方式来描述不同结果发生的可能性,帮助理解并非所有零部件都以相同方式失效,并为预测特定时间段内零部件失效的可能性提供理论基础。因此,本文就如何运用概率论的基本原理和各种统计模型来分析汽车零部件的寿命数据,构建更符合实际的预测方法展开探讨,以期更有效地计算零部件失效的可靠程度,提高预测的准确性。
【摘要】汽车零部件的疲劳失效是影响车辆安全性与使用寿命的关键因素。在汽车工业高速发展的背景下,传统经验设计方法难以满足长周期、复杂工况下的耐久性需求。随着计算力学与材料科学的进步,基于数学模型的定量化分析方法为疲劳寿命预测提供了高效、低成本的解决方案。因此,本文就汽车零部件疲劳损伤行为的数学表征方法展开系统性探讨,以期望推动耐久性设计由“试验验证”向“模型驱动”的范式转型,为汽车轻量化与可靠性提升提供理论支撑。
【摘要】本文研究电动汽车“国充2024”鉴权模块测试,分析其在直流充电中的关键作用及与欧标的差异。结果显示,国标鉴权为可选项,在发起方、超时机制和启动流程上与欧标存在显著区别,但启动方式更统一。通过设计多场景测试用例并采用虚拟测试系统与CANoe实时采集数据,发现车辆存在报文异常、超时未响应等问题,影响充电安全。目前,该模块处于早期研发阶段,车企关注不足,但其安全性与便捷性对提升市场竞争力至关重要。
【摘要】本文从汽车总装环节中螺栓拧紧工艺的角度,阐述螺栓拧紧的基本原理,详细介绍扭矩控制法、扭矩转角控制法、屈服点法等主流控制方法,最终针对控制优化问题,从扭矩控制、扭矩因数、摩擦因素和粘滑因素等方面进行分析,提出有效的螺栓拧紧控制策略,为汽车生产工艺优化提供技术参考。
【摘要】本文研究车载低音喇叭纸盆压制生产工艺与纸盆声学性能的关系,通过对影响低音喇叭声学性能的压制压力、纸盆成型温度、纸浆浓度的压制工艺参数进行分析,并选择压制压力 1.4~1.6MPa 、成型温度105~115°C 、纸浆浓度 4.8%-5.5% 的压制条件,此时纸盆的共振频率降低 23.5% ,品质因数为0.63,频响平坦度提高 50% ,在车载环境下具有良好的稳定性。研究成果为车载音响系统声学性能提升提供了技术支撑。
【摘要】本文主要分析材料、加工和润滑技术对汽车齿轮传动效率的提升作用。材料方面,使用铬钼合金钢(18CrNiMo7-6)并渗碳淬火,使齿轮表面极硬(硬度为58-63HRC)且耐磨,硬化层深度达 2.0~3.5mm :加工方面,采用高精度磨削和超精加工(KlingelnbergP26检测),将齿向偏差控制在极小范围( <2μm/100mm ),使齿面接触更均匀;润滑方面,基于Dowson-Higginson方程选用合成齿轮油(如PAO型)和压力循环润滑,确保油膜足够厚,将齿面完全隔开。三者协同有效降低了摩擦损失和振动噪声,为开发高效动力总成提供了参考。
【摘要】汽车转向系统球头销锻造模具磨损关乎产品品质与行车安全。文章借助Archard磨损模型与有限元分析,剖析模具磨损机理及影响因素。研究发现,中碳钢材质会加剧模具磨损,优化热处理工艺可提升耐磨性;锻造工艺参数(温度、压力、速度、冷却速率)控制不当易引发热疲劳与应力集中,合理调控能有效减损;规范操作与维护对延长模具寿命至关重要。数值模拟显示,球头过渡区存在324MPa压强峰值与 720°C 温度峰值,优化模具设计后,磨损量降至 1.22×10-5mm ,模具寿命可达4万件,为降本增效、保障行车安全提供理论支撑。
【摘要】铝加工冷轧是将铝带材通过室温下的轧制工序制成更薄板材的工艺,在现代工业中应用广泛。近年来汽车制造商为了降低油耗、减少排放,持续推动车身轻量化,铝合金密度低,强度适中,成为实现车身减重的重要材料选择。在制造铝合金车身结构件时,冷轧技术能够有效地提升铝板的强度、尺寸精度和表面光洁度,同时控制生产成本。因此,本文将探讨铝加工冷轧技术在汽车车身结构件中的具体应用,以期更好地理解该技术如何服务于汽车轻量化目标并推动其在生产中的合理应用。
【摘要】文章针对汽车发动机活塞销传统机加工艺存在的材料消耗大、成本高、效率低等问题,提出采用挤压成形技术结合数值模拟方法优化制造工艺。通过建立活塞销三维有限元模型(直径 16mm ,长度60mm ),利用DEFORM-3D软件模拟42CrMo合金钢的挤压成形过程,分析损伤因子、折叠角缺陷、载荷随时间的变化曲线等关键参数对成形品质的影响。研究表明:优化挤压速度可显著降低裂纹风险,模拟中最大损伤因子为0.248,未出现开裂;通过模具结构优化(调整入口角度及润滑条件),最大折叠角为 234° (低于安全阈值 270° ),避免折叠缺陷;最大挤压力达14080kN(选取1600t压力),挤压速度、温度及模具设计的协同优化可提升材料流动均匀性。
【摘要】文章借助DEFORM-3D软件开展汽车矩形花键热挤压预锻成形过程的数值模拟研究,重点分析应力场、应变场和温度场的分布规律。通过优化工艺参数(温度 1200°C 、下压速度 5mm/s 、摩擦系数0.3),模拟结果显示:预测齿根/齿顶区域的应力集中峰值由优化前的335MPa降至 298MPa ;过渡区域的高应变峰值达到 3.41mm/mm 虽然在模拟过程中未观察到裂纹萌生现象,但通过应力应变分布分析判断存在潜在开裂风险。相较于优化前,花键整体成形品质显著提升。
【摘要】传统汽车涂装工艺存在高能耗、高VOC排放及污染问题,制约行业可持续发展。本文从材料革新、工艺升级和系统协同三个层面系统阐述绿色维修技术在涂装领域的应用路径与技术演进。绿色维修技术通过多技术协同,实现涂装环节能耗降低,推动产业向低碳化、智能化转型。未来需突破环保材料成本瓶颈,深化AI与碳足迹追踪技术融合。
【摘要】本文搭建基于压力测试的OTA自动化测试台架,由CANoe、网络试验台架、笔记本电脑、控制器等硬件组成,通过自动化测试工具Airtest、编程语言Python实现自动化测试脚本的编写和执行,实现汽车零部件OTA自动化测试。
【摘要】目前汽车电动踏板均通过电动踏板控制装置实现电动收回和展开,为方便用户上下车,电动踏板需按照用户的需求收回和展开。本文就试验过程中发现的车辆电动踏板失效故障问题,从控制原理出发,分析故障产生的原因并提出解决措施。
【摘要】文章围绕车载微电子控制单元故障诊断与修复技术展开系统性研究,聚焦汽修人员实操需求构建标准化技术体系。首先从硬件检测工具的规范化操作流程切入,明确万用表、示波器等设备的参数测量标准;继而深入解析车载诊断系统第二代故障码编码规则与数据流波动特征的分析方法;在此基础上,创新设计电源系统、通信网络等典型故障的分级修复路径,提出包含专用编程设备应用、数据备份策略的智能化修复技术选代方案,并结合维修案例分析,通过多维度技术优化,可有效提升ECU维修效率与修复成功率,降低返修率。
【摘要】在第十七届山东省职业院校技能大赛汽车技术赛项(高职学生组)中,比赛车型为2019款比亚迪秦EV,比赛内容围绕低压上电、高压上电故障的设置。本文首先介绍低压上电、高压上电的工作原理,其次介绍具体诊断与排除的流程和思路,为其他师生和维修人员提供参考。
【摘要】新能源汽车电控系统作为车辆运行的核心控制单元,其故障直接影响车辆的安全性和可靠性。电控系统集成了电池管理、电机控制、能量管理等多个子系统,结构复杂,故障类型多样。故障诊断技术的发展对保障新能源汽车安全运行具有重要意义。文章通过分析新能源汽车电控系统的组成结构和工作原理,研究故障码诊断、数据分析和模式识别等诊断技术,并结合实际案例验证诊断方法的有效性,为新能源汽车电控系统故障诊断提供技术支撑。
【摘要】新能源汽车驱动电机作为动力系统核心部件,其运行可靠性直接决定整车性能与行车安全。针对当前主流永磁同步电机,文章深入解析其在复杂工况下高发的电气劣化、机械损伤及热管理失效3类典型故障的演化机理,重点构建融合多源信号分析(含电流波形畸变、振动频谱特征、红外热像检测)的综合诊断体系,并提炼基于工程实践的精准维修技术范式。通过典型故障案例验证表明,该技术方案可有效定位永磁体热退磁、轴承点蚀等复杂故障,将故障识别准确率提升至 95% 以上,为新能源汽车驱动电机一线维保工作提供系统化、可落地的技术支撑。
【摘要】为提升汽车ABS系统维修效率与安全性,文章首先分析ABS系统组成,其次针对轮速传感器、制动压力调节器等设备的常见故障,阐述故障现象与诊断方法,最后结合案例详细解析电路故障排查流程。该研究有助于维修人员精准诊断ABS故障,降低维修成本,保障车辆制动安全。
【摘要】文章针对大众迈腾B8车型搭载的EA88发动机烧机油故障展开研究。首先分析故障对车辆动力性能、油耗及机械部件的影响,构建包含故障现象确认、初步检查与深入诊断的系统诊断流程;其次针对活塞环与活塞、气门油封、油气分离器等关键部件,提出改进型更换方案,如波浪形油环、双唇边气门油封及高效油气分离器的应用。维修后通过机油加注检测、怠速运行监测及路试性能评估等流程,确保发动机性能恢复。研究为解决EA888发动机烧机油问题提供了从诊断到维修的完整技术路径,对提升车辆可靠性具有实际参考价值。
【摘要】在全球贸易自由化背景下,电动汽车供应链正经历重塑。本研究旨在探讨贸易自由化对电动汽车供应链的影响,通过数据分析发现,贸易自由化能够降低跨境流通成本,促进出口增长。2024年,中国汽车出口量达473.4万辆,新能源车出口101.2万辆,显示出中国在供应链中的优势。贸易自由化不仅加速了技术扩散与产业融合,也推动了汽车经济向绿色、高效方向转型,对全球汽车产业政策具有重要参考价值。
【摘要】基于汽车制造环节中能源消耗结构复杂的情况,本文对机械自动化技术在焊接、装配、搬运及执行单元中的节能控制路径进行研究,阐述各关键工艺节点的能耗特征与优化策略,介绍控制系统中传感调度与功率状态管理机制。结合某职业院校实训平台的改造案例,构建具备教学与评估功能的节能集成系统。结果表明,分层控制与模块化管理可有效支撑制造节能目标的实现。
【摘要】随着全球能源结构的转型和可持续发展意识的提升,新能源汽车(NewEnergyVehicle,NEV)行业发展迅猛,同时也带来了财务风险。文章以比亚迪公司为例,利用Z分数法从偿债风险、盈利风险和营运风险三方面对比亚迪公司财务风险进行分析,并与长安汽车、众泰汽车进行同行业对比。计算结果表明,比亚迪2023年的Z值为1.2097,处于财务风险较高的区间;长安汽车Z值为2.1497,财务状况相对稳定;众泰汽车Z值为-3.8458,处于高破产风险区间,最终提出针对性风险控制对策。
【摘要】智能网联技术不仅驱动车辆本身的能力升级,更深刻改变了汽车的价值创造方式与产业盈利逻辑。当前产业发展正经历转变,从单一的车辆硬件销售转向基于数据、软件和服务的全生命周期价值捕获。因此,本文将探讨汽车经济转型中的主要商业模式创新及市场前景的技术普及速度、用户价值认知深化程度、服务闭环形成进度等核心要素,从而为理解智能网联产业的商业路径与增长潜力提供分析框架。
【摘要】全球汽车产业在数字化浪潮及消费需求变迁的驱动下,正经历深刻的销售渠道变革。以制造商直接触达终端消费者的直销模式加速兴起,其去中介化、高信息透明度与强控价能力的特征,对依赖多层分销的传统经销商体系构成系统性挑战。二者在客户关系绑定、价值分配逻辑及服务网络布局方面的冲突日益显现,直接引发市场势力重构与行业生态演变。因此,本文聚焦于直销模式与传统经销商体系的市场互动机制展开深度探讨,旨在解构二者博弈过程中的冲击路径与适应策略,以期为产业参与者提供融合冲突、构建动态均衡双轨渠道结构的理论框架与实践路径参考。
【摘要】汽车产业正处于智能化、网联化深度转型的关键阶段。智能网联汽车作为新一代汽车,集成先进车载传感、控制与执行装置,融合现代通信与网络技术,核心是实现车与车、车与路、车与人及云平台的智能信息交换共享,最终提升交通安全、乘坐舒适性并实现节能高效运行。文章主要探讨智能网联汽车行业AI复合型人才培养路径,为构建未来人才体系提供参考。
【摘要】当前,车辆控制、电池管理、自动驾驶等关键系统的智能化发展对工程人才的知识深度与跨界能力提出了更高要求。传统汽车工程教育在课程设置与培养模式上难以匹配快速迭代的技术需求,导致人才供给与产业升级之间断层。因此,本文就人工智能驱动下新能源汽车工程专业的人才培养体系展开探讨,以期建立适应产业智能化变革需求的人才培养模式,为新能源汽车行业的可持续发展提供人才支持。
【摘要】针对目前应用型高校《机电传动控制》课程思政元素融入不足、浮于表面的现象,本文结合现有的研究与实践成果,系统阐述如何在《机电传动控制》课程中进行思政元素的挖掘、多维度设计与科学化评估。研究为任课教师提供了一定的思政融入思路,并为培养支撑汽车强国建设的复合型人才提供了方向。